Welcome to Guangzhou Yihuaxin electronic instrument Co., Ltd!

中文版 ENGLISH

Hotline:08620-36453501

Your location:Home > PRODUCTS > Wireless Digital Crane Scales > Blue Arrow Wireless Digital Crane Scales SZ-KP

Product Name:Blue Arrow Wireless Digital Crane Scales SZ-KP

Blue Arrow Wireless Digital Crane Scales SZ-KP
  • Blue Arrow Wireless Digital Crane Scales SZ-KP
  • Description
  • Details
  • Optional Accessories
  • Name:SZ-KP

     Model:SZ-KP

     Capacity:1t,2t,3t,5t,10t,15t,20t

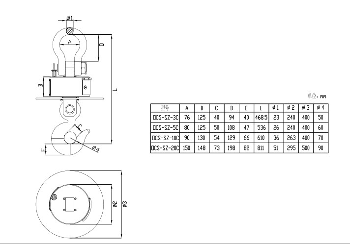
     Blueprint: Look over>>

     Detail:

    Simple structure &low cost

    High-precision A/D converter with ∑-△ analog-to-digital conversion

    Hand hold design for smart and convenient using

    ABS engineering plastic housing for durable using

    LED display with EL backlighting

    Total &Inquire functions


  • Your Name:
  • Telephone:
  • E-mail: