合金钢材料,镀镍,S型结构,胶封,拉向或压向承载。
防护等级IP67
适用于吊钩秤、机改秤、料斗秤等各类电子称重设备。
推荐选择型号:
| xxkg | C3/C4/A5S/B10S | H3-xx-xxkg-3B |
| xxt | C3/C4/A5S/B10S | H3-xx-xxt-xB |
| xxlb | A5S/B10S | H3-xx-xx-6YB |
| xxklb | A5S/B10S | H3-xx-xxk-6YB |
| 20klb | C3 | H3-C3-20k-6YB |
| 100kg-600kg通过OIML C3级认证 100kg-2.5t通过OIML C3/C4级测试 50kg-7.5t(100lb-15klb)通过NTEP A5S/B10S级认证。 | ||
技术指标
| 额定载荷 | t | 0.025/0.05/0.1/0.25/0.5/0.75/1/1.5/2/2.5/5 | |||
| lb | 100/150/200/250/500/750/1K/1.5K/2K/2.5K/3K/5K/7.5K/10K/15K/20K | ||||
| 精度 | C3 | C4 | A5S | B10S | |
| 最大检定分度数 | n max | 3000 | 4000 | III5000单只 | III10000单只 |
| 最小检定分度值 | v min | Emax/10000 | Emax/14000 | Emax/15000 | Emax/10000 |
| 综合误差 | (%FS) | ≤±0.020 | ≤±0.018 | ≤±0.018 | ≤±0.035 |
| 蠕变 | (%FS/30min) | ≤±0.016 | ≤±0.012 | ≤±0.012 | ≤±0.030 |
| 温度对输出灵敏度的影响 | (%FS/10℃) | ≤±0.011 | ≤±0.009 | ≤±0.009 | ≤±0.030 |
| 温度对零点输出的影响 | (%FS/10℃) | ≤±0.015 | ≤±0.010 | ≤±0.010 | ≤±0.030 |
| 输出灵敏度 | (mv/v) | 2.0±0.004(公制) 3.0±0.008(英制) | |||
| 输入阻抗 | (Ω) | 350±3.5 | |||
| 输出阻抗 | (Ω) | 351±2 | |||
| 绝缘阻抗 | (MΩ) | ≥5000(50VDC) | |||
| 零点输出 | (%FS) | ≤±1.5(公制) ≤±1.0(英制) | |||
| 温度补偿范围 | (℃) | -10~+40 | |||
| 允许使用温度范围 | (℃) | -35~+70 | |||
| 推荐激励电压 | (V) | 5~12(DC) | |||
| 最大激励电压 | (V) | 18(DC) | |||
| 安全过载范围 | (%FS) | 150 | |||
| 极限过载范围 | (%FS) | 300 | |||
| ATEX等级(可选) | II1G Ex ia 1C T4 | II1D Ex ia D20 T73℃ | II3G Ex nL IIC T4 | ||
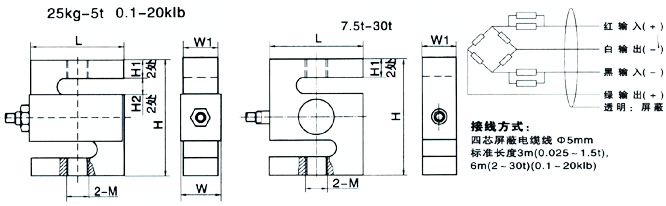
外形尺寸mm(inch)

| 量程 | H | L | W1 | W | H1 | H2 | M |
| 25kg,50㎏ | 76.2(3.0) | 50.8(2.0) | 12.7(0.5) | 16.1(0.63) | 15.7(0.62) | / | M8 |
| 0.1t~0.15t | 76.2(3.0) | 50.8(2.0) | 19.0(0.7) | 22.4(0.88) | / | 9(0.35) | M10×1.5 |
| 0.2t~0.75t | 76.2(3.0) | 50.8(2.0) | 19.0(0.7) | 22.4(0.88) | / | 9(0.35) | M12×1.75 |
| 1t,1.5t | 76.2(3.0) | 50.8(2.0) | 25.4(1.0) | 28.8(1.13) | / | 9(0.35) | M12×1.75 |
| 2t~5t | 101.6(4.0) | 76.2(3.0) | 25.4(1.0) | 28.8(1.13) | 20(0.79) | / | M20×1.5 |
| 7.5t,10t | 175(6.9) | 125(4.9) | 50(1.97) | / | 41(1.61) | / | M33×3 |
| 15t | 200(7.9) | 160(6.3) | 60(2.36) | / | 39.5(1.56) | / | M42×3 |
| 20t | 200(7.9) | 160(6.3) | 60(2.36) | / | 51(2.01) | / | M42×3 |
| 30t | 230(9.1) | 190(7.5) | 80(3.15) | / | 57.5(2.26) | / | M42×3 |
| 100lb~300lb | 63.5(2.5) | 50.8(2.0) | 12.7(0.5) | 15.9(0.63) | / | 8.25(0.32) | 1/4—28UNF |
| 500lb-1.5klb | 63.5(2.5) | 50.8(2.0) | 19.05(0.75) | 22.25(0.88) | / | 8.25(0.32) | 1/2—20UNF |
| 2klb,2.5klb | 63.5(2.5) | 50.8(2.0) | 25.4(1.0) | 28.6(1.13) | / | 10.16(0.4) | 1/2—20UNF |
| 3klb | 101.6(4.0) | 76.2(3.0) | 25.4(1.0) | 28.6(1.13) | / | 15.24(0.6) | 1/2—20UNF |
| 5klb,10klb | 101.6(4.0) | 76.2(3.0) | 25.4(1.0) | 28.6(1.13) | / | 15.24(0.6) | 3/4—16UNF |
| 15klb | 139.7(5.5) | 101.6(4.0) | 31.8(1.25) | 35(1.38) | / | 16.4(0.65) | 1—14UNS |
| 20klb | 177.8(7.0) | 127(5.0) | 50.8(2.0) | 54(2.13) | / | 21.5(0.85) | 5/4—12UNF |

