不锈钢材质,三梁结构,焊接密封,压向承载。
适用于电子计价秤、电子台秤、皮带秤及各类电子称重设备。
最大秤台尺寸:
400x400mm(10kg-50kg)
800x800mm(100kg-500kg)
推荐选择型号:
| xxkg | C3/C3MR/C4MR/A6S/A6M/B10S/B10M | BM6G-xx-xxkg-3B |
| xxkg | C3/C3MR/C4MR/A6S/A6M/B10S/B10M | BM6G-xx-xxkg-3B-S1 |
| 20kg-500kg通过OIML C5级认证及NTEP A6S/A6M/B10S/B10M级认证 10kg-500kg通过OIML C3/C3MR级认证 10kg-50kg通过OIML C4MR级认证 | ||
技术指标
| 额定载荷 | kg | 10/20/50/60/75/100/150/200/300/400/500/600 | |||
| 精度 | C3 | C4 | A6M | A6S | |
| 最大检定分度数 | n max | 3000 | 4000 | ||
| 最小检定分度值 | v min | Emax/10000 | Emax/15000 | Emax/15000 | Emax/20000 |
| 综合误差 | (%FS) | ≤±0.0200 | ≤±0.0173 | ≤±0.0113 | ≤±0.009 |
| 蠕变 | (%FS/30min) | ≤±0.0245 | ≤±0.0184 | ≤±0.0184 | ≤±0.008 |
| 温度对输出灵敏度的影响 | (%FS/10℃) | ≤±0.0117 | ≤±0.0088 | ≤±0.0088 | ≤±0.006 |
| 温度对零点输出的影响 | (%FS/10℃) | ≤±0.0140 | ≤±0.0093 | ≤±0.0093 | ≤±0.007 |
| 输出灵敏度 | (mv/v) | 2.0±0.2 | |||
| 输入阻抗 | (Ω) | 10kg/20kg/50kgSE/75kgSE/100kgSE | 50kg-600kg | ||
| 380±15 | 350±3.5 | ||||
| 输出阻抗 | (Ω) | 350±3.5 | |||
| 绝缘阻抗 | (MΩ) | ≥5000(50VDC) | |||
| 零点输出 | (%FS) | ≤±2.0 | |||
| 温度补偿范围 | (℃) | -10~+40 | |||
| 允许使用温度范围 | (℃) | -35~+70 | |||
| 推荐激励电压 | (V) | 5~12(DC) | |||
| 最大激励电压 | (V) | 18(DC) | |||
| 安全过载范围 | (%FS) | 150 | |||
| 极限过载范围 | (%FS) | 300 | |||
| 推荐安装扭矩 | Nm | 10kg/20kg/50kgSE/75kgSE/100kgSE:10 | 50kg-600kg:20 | ||
| 防护等级 | IP68/IP69K | ||||
| ATEX等级(可选) | II 1G Ex ia II 1C T4 | II 1D Ex iaD20 T73℃ | II3G Ex nL II C T4 | ||
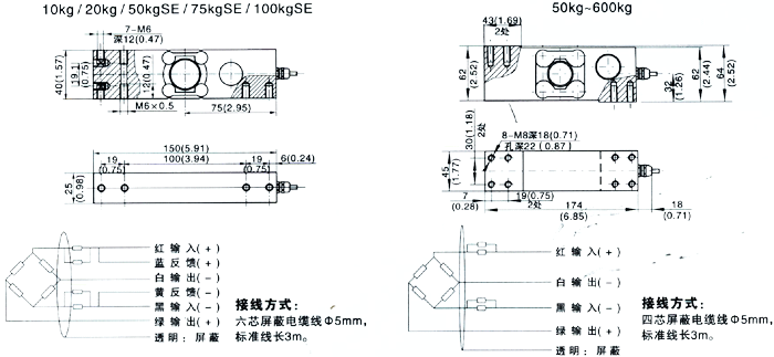
外型尺寸mm(inch)


