数字信号输出(RS-485/4-wire)
额定载荷10t-100t
双摇柱结构
安装简便
不锈钢材料
全密封焊接
精度符合OIML R60 C3级
大电压保护
技术指标
| 精度等级 | C3 | 量程 | t | 10,15,20,30, 40,50,60,100 | |
| 最大检定分度数 | n max | 3000 | 额定输出 | Counts | 1000000 |
| 最小检定分度值 | v min | Emax/7500 | 测量速率 | Hz | 112,56,28,14,7,3 |
| 综合误差 | %F·S | ≤±0.020 | 激励电压 | V DC | 6~15 |
| 蠕变 | %FS/30min | ≤±0.016 | 通讯接口 | RS 485/4 线制 | |
| 温度对输出灵敏度的影响 | %FS/10℃ | ≤±0.011 | 通讯波特率 | Bps | 19200 |
| 温度对零点输出的影响 | %FS/10℃ | ≤±0.019 | 最大通讯距离 | m | 1200 |
| 补偿温度范围 | ℃ | -10~+40 | 总线地址数 | 最大32 | |
| 使用温度范围 | ℃ | -10~+50 | 防护等级 | IP68 | |
| 安全过载范围 | %FS | 150 | 电缆线长度 | m | 20(40,50,60,100t) 12(10,15,20,30t) |
| 极限过载范围 | %FS | 300 | 电缆线规格 | 六芯屏蔽电缆,φ5mm | |
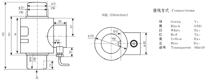
接线图

外形尺寸mm(inch)

| 量程 t | 10-15 | 20 | 30 | 40 | 50-60 | 100 |
| D | 44(1.73) | 64(2.52) | ||||
| D1 | 49(1.93) | 68(2.66) | ||||
D2 | 74(2.91) | 93(3.66) | ||||
| H | 80(3.15) | 92(3.62) | 121(4.71) | |||
| H1 | 88(3.46) | 100(3.94) | 128(5.04) | |||
| H2 | 130(5.12) | 150(5.91) | 210(8.27) | 260(10.24) | ||
| SRF | 200(7.87) | 300(11.81) | 400(15.75) | |||

