合金钢材料,镀镍;单柱式结构,焊接密封,拉向或压向承载。
防护等级IP68
防雷击可达一万伏,适用于大型工控和测试类设备。
推荐选择型号:
| xxt | C2 | BM14D-C2-xxt-20B |
技术指标
| 额定载荷 | t | 10/20/25/30/40/50/60/100 |
| 精度 | C2 | |
| 最大检定分度数 | n max | 2000 |
| 最小检定分度值 | v min | Emax/5000 |
| 综合误差 | (%FS) | ≤±0.030 |
| 蠕变 | (%FS/30min) | ≤±0.024 |
| 温度对输出灵敏度的影响 | (%FS/10℃) | ≤±0.017 |
| 温度对零点输出的影响 | (%FS/10℃) | ≤±0.023 |
| 输出灵敏度 | (mv/v) | 1.5±0.003 |
| 输入阻抗 | (Ω) | 700±7 |
| 输出阻抗 | (Ω) | 703±4 |
| 绝缘阻抗 | (MΩ) | ≥5000(50VDC) |
| 零点输出 | (%FS) | ≤±1.0 |
| 温度补偿范围 | (℃) | -10~+40 |
| 允许使用温度范围 | (℃) | -35~+70 |
| 推荐激励电压 | (V) | 5~12(DC) |
| 最大激励电压 | (V) | 18(DC) |
| 安全过载范围 | (%FS) | 150 |
| 极限过载范围 | (%FS) | 300 |
| ATEX等级(可选) | II 1G Ex ia II 1C T4 | |
II 1D Ex iaD20 T73℃ II 3G Ex nL II C T4 |
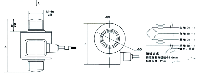
外形尺寸mm(inch)

| 量程 | H | H1 | H2 | D | L | M |
| 10t~20t | 180(7.O8) | 46(1.81) | 69.3(2.73) | 73(2.87) | 99.7(3.92) | M36x3 |
| 25t~30t | 200(7.87) | 47.5(1.87) | 70(2.75) | 88.9(3.5) | 115.6(4.55) | M42x3 |
| 40t~60t | 250(9.84) | 64(2.52) | 99.3(3.91) | 105(4.13) | 138.3(5.44) | M56x4 |
| 100t | 350(13.7) | 97.7(3.85) | 131.9(5.19) | 152.4(4.93) | 183.9(7.14) | M76x4 |
服务热线:400-1010-998
您现在的位置:
